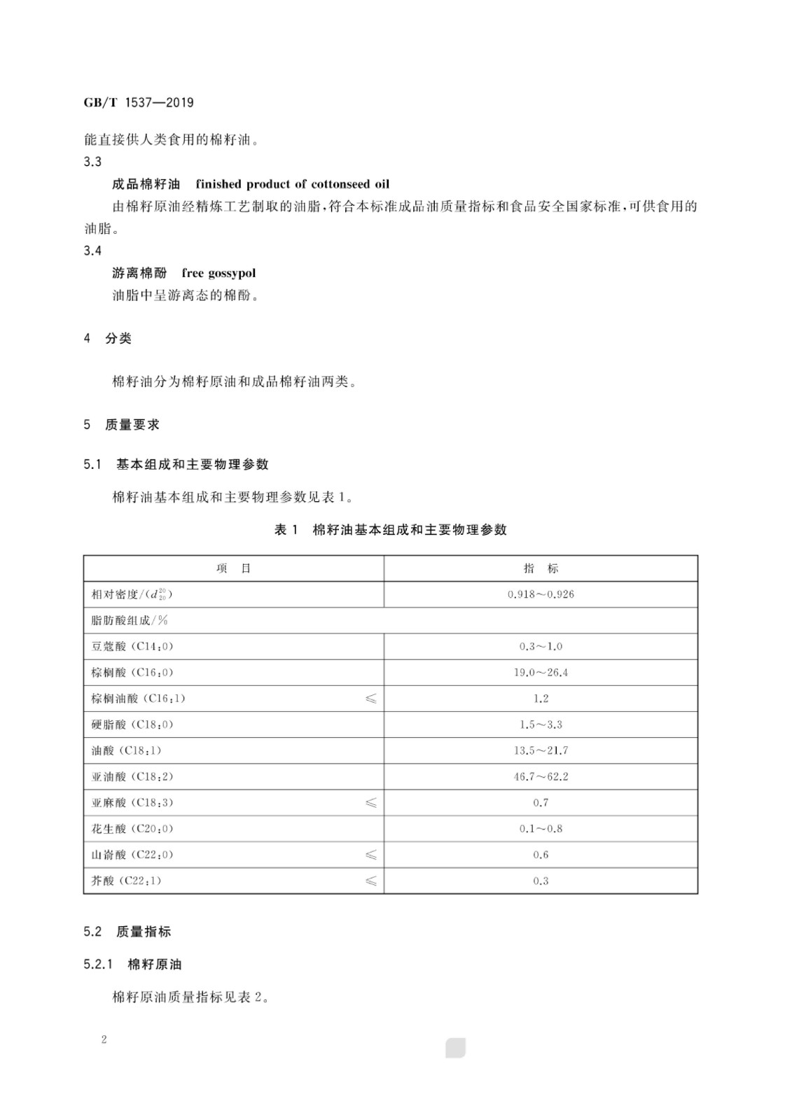
棉籽油即是以棉花籽榨的油,分為壓榨棉籽油、浸出棉籽油、轉基因棉籽油、棉籽原油、成品棉籽油幾種。顏色較其它油深紅,精煉后可供人食用,含有大量人體必需的脂肪酸,最宜與動物脂肪混合食用。但食用粗制棉籽油可造成生精細胞損害,導致無精不育。成品棉籽油是經處理符合國家標準成品油質量指標和衛(wèi)生要求的直接供人類食用的棉籽油。棉籽油國家標準 (GB/T 1537-2019)如下;







全國咨詢熱線:13523710589 手機:13523710589(王經理)
郵箱:920274846@qq.com 地址:河南省焦作市修武縣武源路


訪問手機端 微信客服